卡提诺论坛
卡提诺论坛
新闻动态
卡提诺论坛公告
卡提诺论坛公开
检务指南
公益诉讼
莎姐普法
当前位置:
卡提诺论坛
>>
重庆市荣昌区人民检察院
>>
卡提诺论坛公开
>>
财政信息
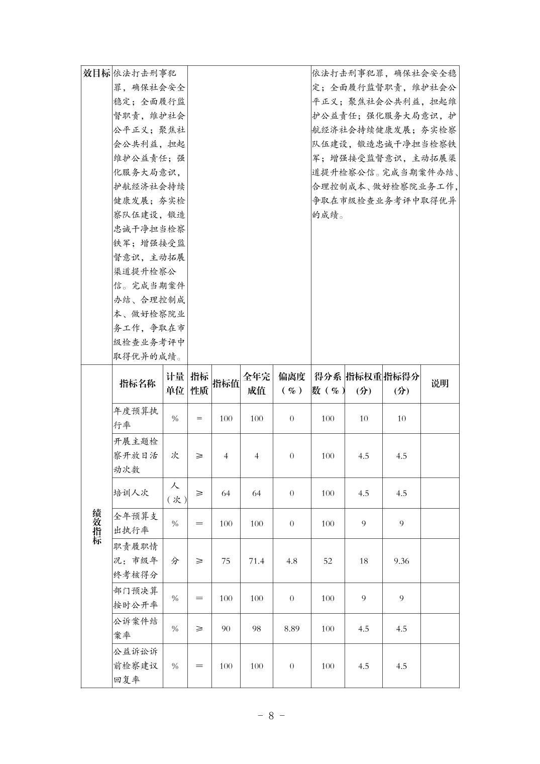
重庆市荣昌区人民检察院2023 年度决算公开说明
时间:2024-08-30 作者: 新闻来源: 【字号:
大
|
中
|
小
】
重庆市荣昌区人民检察院2023 年度决算公开说明
友情链接:
最高人民检察院
卡提诺论坛
正义网
版权所有:重庆市荣昌区人民检察院
技术支持:正义网 京ICP备10217144号-1
本网网页设计、图标、内容未经协议授权禁止转载、摘编或建立镜像,禁止作为任何商业用途的使用。
微信二维码