卡提诺论坛
卡提诺论坛
走进检察
新闻发布会
检方公告
卡提诺论坛公开
公益诉讼
莎姐青少年维权岗
当前位置:卡提诺论坛>>重庆市璧山区人民检察院>>卡提诺论坛公开 >>预决算公开
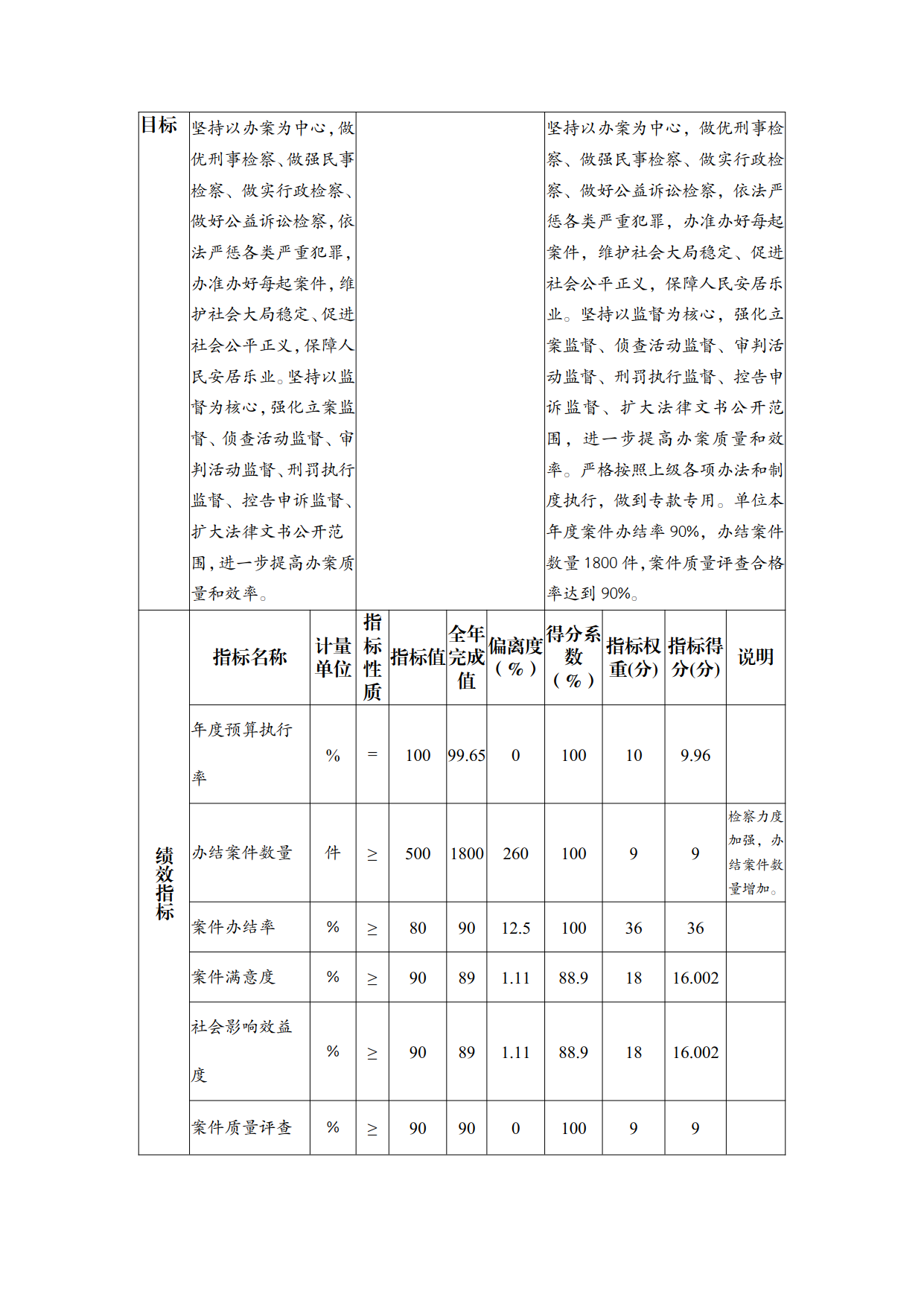
2024年重庆市璧山区人民检察院决算公开
时间:2025-09-02 作者: 新闻来源: 【字号:
大
|
中
|
小
】
友情链接:
最高人民检察院
卡提诺论坛
正义网
版权所有:重庆市璧山区人民检察院
联系电话:023-41777286 传真:023-41777620
技术支持:正义网 京ICP备10217144号-1
本网网页设计、图标、内容未经协议授权禁止转载、摘编或建立镜像,禁止作为任何商业用途的使用。